
咨詢熱線0755-26993877
國產光耦繼電器和進口光耦繼電器的區別主要表現在以下幾個方面:(1)生產技術方面的區別:雖然國產光耦繼電器和進口光耦繼電器都采用了相似的生產技術,但在某些細節方面,如制造工藝、材料選擇等方面仍存在一定的...

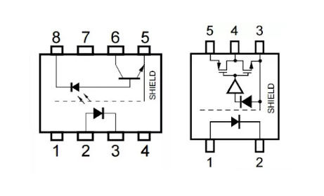
光耦直接驅動繼電器是一種將光信號轉換為電信號,實現對繼電器進行直接驅動的裝置。其主要作用如下

在現代化的工業生產和質量控制中,光耦控制繼電器正發揮著越來越重要的作用。這種獨特的控制元件基于光耦合技術,具有優秀的電氣隔離性能和高速響應能力,因此在許多關鍵場合中展現出顯著的優勢。

光耦控制繼電器電路關鍵在于利用光耦合器(光耦)對繼電器電路進行控制,從而實現高電壓、低電流電路與低電壓、高電流電路之間的隔離,保護電路安全。本文將詳細介紹光耦控制繼電器電路的原理及應用。

光耦繼電器的工作原理是當輸入端存在一定強度的電流時,光耦繼電器的發光二極管會發光,使得光敏三極管導通,進而控制開關的通斷。光耦繼電器通常采用光電效應原理,即利用光的傳播速度遠快于電的傳播速度的特點

光耦繼電器模塊是一種重要的電氣控制元件,它在許多工業和自動化控制系統中發揮著關鍵作用。通過光電隔離和繼電器接點輸出,光耦繼電器模塊能夠有效地隔離高低電壓,提高系統的可靠性和安全性。

光耦繼電器電路的工作原理是利用光耦合器將輸入的光信號轉換為電信號,然后再通過繼電器控制電路的通斷狀態。這種電路通常由光源、光耦合器、光接收器、放大器和繼電器等組成。

光耦和繼電器是電路中兩種不同的元件,它們各自具有獨特的特點和作用。本文將介紹光耦和繼電器的區別,幫助讀者更好地了解它們在電路中的應用。

光MOS繼電器和光耦繼電器都是電子電路中重要的元件,它們在功能上具有一定的相似性,都能實現光信號到電信號的轉換。然而,兩者在電路設計和功率損耗方面存在著明顯的差異。

其中,固態繼電器和光耦繼電器是兩種常見的繼電器類型。本文將重點對固態繼電器和光耦繼電器進行區別分析,探討它們的優劣,并舉例說明它們的實際應用。
