倍加福電感式傳感器NBB1-4GM22-E0系列產品
【產品特性】 ●1 mm,齊平 ●微型設計 【附件產品】 ·安裝法蘭:BF 4 安裝法蘭,4 mm |
倍加福電感式傳感器NBB1-4GM22-E0系列產品具有多個優勢。首先,該系列產品采用了先進的電感式傳感技術,具有高靈敏度和精確度,能夠準確地檢測目標物體的位置和運動。其次,該系列產品具有良好的耐磨損性能,能夠在長時間使用中保持穩定和可靠的性能。此外,該系列產品還具有防塵防水的特性,適用于各種惡劣環境下的工作。另外,倍加福電感式傳感器NBB1-4GM22-E0系列產品還具有緊湊的外形設計和易于安裝的特點,方便用戶進行安裝和維護。總之,倍加福電感式傳感器NBB1-4GM22-E0系列產品是一款性能優越、穩定可靠的選擇,適用于各種工業應用場景。
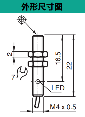
——產品尺寸——


倍加福電感式傳感器NBB1-4GM22-E0產品相關型號:
NBB1-4GM22-E0;NBB1-4GM22-E2;NBB1-4GM22-E2-5M;NBB1-4GM22-E0-0,3M-V3;NBB1-4GM22-E2-0,3M-V3
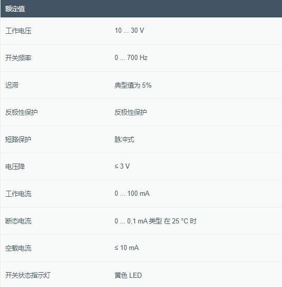
——產品參數——





